2025年10月10日,鼎阳科技正式发布SDS8000A系列高带宽高分辨率数字示波器。SDS8000A模拟通道带宽最高可达16 GHz,搭载基于硬件ADC实现的12-bit垂直分辨率,每通道实时采样率高达40 GSa/s,存储深度最大2 Gpts/通道,最高500,000 wfm/s波形捕获率,176 μVrms超低本底噪声。SDS8000A不仅能满足高速信号测量和捕捉微小信号的需求,还提供MIPI、DDR、PCIe、以太网等一致性分析功能,搭配眼图和抖动分析工具及丰富的协议解码,为半导体研发、高速通信系统验证等提供全方位的解决方案。

12-bit高分辨率
SDS8000A基于硬件ADC实现真正的12-bit垂直分辨率,相比传统8-bit示波器,其量化精度提升高达16倍,能够有效降低测试过程中的量化误差,完整还原信号的细微变化。尤其在高动态范围或小信号测量场景下,12-bit分辨率可捕捉更多波形细节,避免因精度不足导致的测量失真。此外,在ERES高分辨率模式下,SDS8000A更可进一步提升至16-bit分辨率,特别适用于微弱信号的精确提取与分析,帮助工程师在研发调试中洞察更多信号特征。

超低本底噪声
SDS8000A系列采用高性能硬件架构,四通道均可实现176 μVrms(typ.)的超低本底噪声,该噪声指标与12-bit高分辨率完美匹配,有效降低仪器自身对被测信号的干扰,即便在高带宽与高速采样条件下,仍能保持信号的纯净度与真实性,为工程师在精密测量及前沿科研应用中提供更可靠的波形保真度。

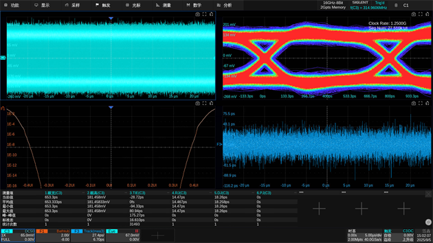
眼图与抖动测试
SDS8000A内置专业的眼图与抖动分析功能,能够从高速串行数据中提取时钟并生成清晰、稳定的眼图。系统支持一键式眼图参数测量,包括眼高、眼宽、抖动(RJ/DJ)等关键指标,并集成信号均衡功能,改善波形质量。用户还可根据行业标准或自定义模板进行眼图测试,快速判断信号质量是否符合规范。此外,仪器提供抖动与噪声成分的频谱视图与直方图,便于深入分析各类噪声与抖动来源,为高速接口的调试与信号完整性验证提供完整解决方案。

协议一致性分析
SDS8000A集成丰富的高速串行协议与总线标准的一致性测试套件,覆盖主流接口,包括USB2.0、USB3.2、10M以太网、100M以太网、1000M以太网、2.5G/5G/10G以太网、10M车载以太网、100M车载以太网、1000M车载以太网、MIPI-DPHY 1.2、DDR2/3/4、PCI-e 1.0/2.0等。仪器结合配套夹具,用户可快速完成物理层测试的参数配置、执行标准规定的全套测试项目,并自动生成符合行业规范的一致性报告。这一集成化流程大幅提升了从信号调试到标准认证的工作效率,使工程师能够在设计验证阶段及早发现并解决潜在的兼容性问题,加速产品上市进程。


强悍的应用功能
SDS8000A系列支持20余种触发方式,提供4路独立数学运算通道,支持32M点FFT分析及20多种时域运算,支持测量超过60种参数,并进行参数统计值的一键测量。SDS8000A还具备历史模式、搜索和导航、SignalScan、高速模板测试等功能。在总线解码方面,除标配I²C、SPI、UART、CAN、LIN解码外,SDS8000A还支持CAN FD、FlexRay、I²S、MIL-STD-1553B、SENT、ARINC 429、USB 2.0等十余种选配协议解码与触发,覆盖主流工业与通信标准。

智能化设计体验
SDS8000A搭载15.6英寸高清触摸屏,采用高性能射频输入接口,并配备了服务器级电源模块以确保在高负载和长时间运行条件下稳定供电。整机采用蜂窝式散热结构,可在长时间运行时稳定温度并降低工作噪音。内置Web Server支持网页远程控制,结合SigScopeLab信号分析软件,可实现远程操作与数据管理,满足实验室与生产线的多种应用需求。

SDS8000A是鼎阳科技自主研发生产的新一代高性能示波器,可搭配鼎阳1 GHz至8 GHz的有源高速探头使用,集成高速接口一致性测试、信号完整性与抖动分析等功能,支持车载电子、工业控制和电源完整性验证等应用,助力工程师在高速信号测量和系统验证中实现更可靠的分析。凭借其卓越的性能、丰富的功能与人性化的操作体验,SDS8000A高分辨率数字示波器引领国产示波器进入16 GHz与12-bit双擎时代。无论是前沿科研、复杂系统调试还是自动化产线测试,它都能成为工程师值得信赖的得力工具。
